1、产品结构合理、密封可靠、性能优良、造型美观。
2、密封面堆焊Co基硬质合金,耐磨、耐蚀、抗擦伤性能好、使用寿命长。
3、阀杆经调质及表面氮化处理,有良好的抗腐性及抗擦伤性。
4、阀门设有倒密封结构,密封可靠。
5、零件材质及法兰尺寸可根据实际工况或用户要求合理选配,满足各种工程需要。
设计规范:GB/T 1223
结构长度:GB/T 12221
连接法兰:JB/T 79.1、GB/T9113、HG/T20592
试验与检验:JB/T 9092、GB/T13927
压力-温度:GB/T12224
公称通径:DN20~400mm
公称压力:PN1.6-16.0MPa
适用温度:≤550℃
主要材质:25.WCB、铬镍调、铬镍钼钢、铬钼钢
适用介质:水、油品、蒸汽、硝酸类、醋酸类等

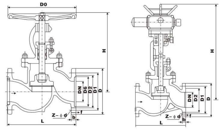
DN(mm) | L | D | D1 | D2 | b | f | Z-Φd | H | Do | WT(kg) |
J41H/Y/B-16 J41W-16P/R/PL/RL J41Y-16I | ||||||||||
10 | 130 | 90 | 60 | 40 | 14 | 2 | 4-14 | 198 | 120 | 4.7 |
15 | 130 | 95 | 65 | 45 | 14 | 2 | 4-14 | 218 | 120 | 5.2 |
20 | 150 | 105 | 75 | 55 | 14 | 2 | 4-14 | 258 | 140 | 7.1 |
25 | 160 | 115 | 85 | 65 | 14 | 2 | 4-14 | 275 | 160 | 7.4 |
32 | 180 | 135 | 100 | 78 | 15 | 2 | 4-18 | 280 | 180 | 8.5 |
40 | 200 | 145 | 110 | 85 | 16 | 2 | 4-18 | 330 | 200 | 12.5 |
50 | 230 | 160 | 125 | 100 | 16 | 3 | 4-18 | 350 | 240 | 20 |
65 | 290 | 180 | 145 | 120 | 18 | 3 | 4-18 | 400 | 280 | 25 |
80 | 310 | 195 | 160 | 135 | 20 | 3 | 8-18 | 355 | 280 | 35 |
100 | 350 | 215 | 180 | 155 | 20 | 3 | 8-18 | 415 | 320 | 50 |
125 | 400 | 245 | 210 | 185 | 22 | 3 | 8-18 | 460 | 360 | 75 |
150 | 480 | 280 | 240 | 210 | 24 | 3 | 8-23 | 510 | 400 | 100 |
200 | 600 | 335 | 295 | 205 | 26 | 3 | 12-23 | 710 | 400 | 210 |
250 | 650 | 405 | 355 | 320 | 30 | 3 | 12-23 | 789 | 450 | 446 |
300 | 750 | 460 | 410 | 375 | 30 | 3 | 12-23 | 925 | 500 | 648 |
DN(mm) | L | D | D1 | D2 | b | f | Z-Φd | H 手 | H电 | Do | 电动装罝 | WT(kg) | |
手动 | 电动 | ||||||||||||
J41H/Y/B-25C J41W-25P/PL/RL J41Y-25I J941H/Y-25C J941W-25P/PL/RL J941Y-25I | |||||||||||||
10 | 130 | 90 | 60 | 40 | 16 | 2 | 4-14 | 198 | - | 120 | - | 4.9 | - |
15 | 130 | 95 | 65 | 45 | 16 | 2 | 4-14 | 218 | - | 120 | - | 5.4 | - |
20 | 150 | 105 | 75 | 55 | 16 | 2 | 4-14 | 258 | - | 140 | - | 7 | - |
25 | 160 | 115 | 85 | 65 | 16 | 2 | 4-14 | 275 | - | 160 | - | 7.4 | - |
32 | 180 | 135 | 100 | 78 | 18 | 2 | 4-18 | 280 | - | 180 | - | 8.5 | - |
40 | 200 | 145 | 110 | 85 | 18 | 3 | 4-18 | 330 | - | 200 | - | 12.5 | - |
50 | 230 | 160 | 125 | 100 | 20 | 3 | 4-18 | 350 | 645 | 240 | DZW101 | 16 | 50 |
65 | 290 | 180 | 145 | 120 | 22 | 3 | 8-18 | 400 | 690 | 280 | DZW101 | 25 | 62 |
80 | 310 | 195 | 160 | 135 | 22 | 3 | 8-18 | 355 | 715 | 280 | DZW151 | 30 | 67 |
100 | 350 | 230 | 190 | 160 | 24 | 3 | 8-23 | 415 | 770 | 320 | DZW20 | 34.5 | 73 |
125 | 400 | 270 | 220 | 188 | 28 | 3 | 8-25 | 460 | 780 | 360 | DZW30 | 89 | 127 |
150 | 480 | 300 | 250 | 218 | 30 | 3 | 8-25 | 510 | 875 | 400 | DZW45 | 98 | 215 |
200 | 600 | 360 | 310 | 278 | 34 | 3 | 12-25 | 710 | 967 | 400 | DZW60 | 180 | 322 |
250 | 650 | 425 | 370 | 332 | 36 | 3 | 12-30 | 789 | - | 450 | - | 446 | - |
300 | 750 | 485 | 430 | 390 | 40 | 4 | 12-30 | 925 | - | 500 | - | 654 | - |
DN(mm) | L | D | D1 | D2 | b | f | f2 | Z-Φd | H 手 | H电 | Do | 电动装罝 | WT(kg) | |
手动 | 电动 | |||||||||||||
J41H/Y/B-40C J41W-40P/PL/RL J41Y-40I J941H/Y-40C J941W-40P/PL/RL J941Y-40I | ||||||||||||||
10 | 130 | 90 | 60 | 40 | 16 | 2 | 4 | 4-14 | 198 | - | 120 | - | 4.9 | - |
15 | 130 | 95 | 65 | 45 | 16 | 2 | 4 | 4-14 | 238 | - | 120 | - | 5.4 | - |
20 | 150 | 105 | 75 | 55 | 16 | 2 | 4 | 4-14 | 275 | - | 140 | - | 7 | - |
25 | 160 | 115 | 85 | 65 | 16 | 2 | 4 | 4-14 | 285 | - | 160 | - | 8.8 | - |
32 | 180 | 135 | 100 | 78 | 18 | 2 | 4 | 4-18 | 302 | 180 | - | 11.8 | ||
40 | 200 | 145 | 110 | 85 | 18 | 3 | 4 | 4-18 | 355 | - | 200 | - | 16.5 | - |
50 | 230 | 160 | 125 | 100 | 20 | 3 | 4 | 4-18 | 370 | 645 | 240 | DZW101 | 24 | 61 |
65 | 290 | 180 | 145 | 120 | 22 | 3 | 4 | 8-18 | 408 | 690 | 280 | DZW101 | 33 | 75 |
80 | 310 | 195 | 160 | 135 | 22 | 3 | 4 | 8-18 | 436 | 715 | 320 | DZW201 | 44 | 84 |
100 | 350 | 230 | 190 . | 160 | 24 | 3 | 4.5 | 8-23 | 480 | 770 | 360 | DZW301 | 60 | 101 |
125 | 400 | 270 | 220 | 188 | 28 | 3 | 4.5 | 8-25 | 558 | 782 | 400 | DZW45 | 89 | 207 |
150 | 480 | 300 | 250 | 218 | 30 | 3 | 4.5 | 8-25 | 611 | 875 | 400 | DZW60 | 98 | 226 |
200 | 600 | 375 | 320 | 282 | 38 | 3 | 4.5 | 12-30 | 720 | 1160 | 400 | DZW901 | 190 | 339 |
DN(mm) | L | D | D1 | D2 | b | f | f2 | Z-Φd | H手 | H电 | Do | 电动装罝 | WT(kg) | |
手动 | 电动 | |||||||||||||
J41H/Y/B-64C J41W-64P/PL/RL J41Y-64I J941H/Y-64C J941W-64P/PL/RL J941Y-64I | ||||||||||||||
10 | 170 | 100 | 70 | 50 | 18 | 2 | 4 | 4-14 | 198 | - | 120 | - | 5.7 | - |
15 | 170 | 105 | 75 | 55 | 18 | 2 | 4 | 4-14 | 195 | - | 140 | - | 10 | - |
20 | 190 | 125 | 90 | 68 | 20 | 2 | 4 | 4-18 | 228 | - | 160 | - | 13 | - |
25 | 210 | 135 | 100 | 78 | 22 | 2 | 4 | 4-18 | 275 | - | 180 | - | 14.5 | - |
32 | 230 | 150 | 110 | 82 | 24 | 2 | 4 | 4-23 | 325 | - | 200 | - | 19 | - |
40 | 260 | 165 | 125 | 95 | 24 | 3 | 4 | 4-23 | 360 | - | 240 | - | 25 | - |
50 | 300 | 175 | 135 | 105 | 26 | 3 | 4 | 8-23 | 410 | 710 | 280 | DZW10 | 35 | 64 |
65 | 340 | 200 | 160 | 130 | 28 | 3 | 4 | 8-23 | 450 | 750 | 320 | DZW15 | 48 | 77 |
80 | 380 | 210 | 170 | 140 | 30 | 3 | 4 | 8-18 | 485 | 785 | 360 | DZW30 | 56 | 88 |
100 | 430 | 250 | 200 | 168 | 32 | 3 | 4 | 8-25 | 537 | 837 | 400 | DZW45 | 125 | 171 |
125 | 500 | 295 | 240 | 202 | 36 | 3 | 4 | 8-30 | 631 | - | 400 | - | 131 | - |
150 | 550 | 340 | 280 | 240 | 38 | 3 | 4 | 8-34 | 646 | - | 450 | - | 157 | - |
200 | 650 | 405 | 345 | 300 | 44 | 3 | 4 | 12-34 | 813 | - | 500 | - | 283 | - |
J41H/Y/B-100C J41W-100P/R/PL/RL J41Y-100I J941 5-100C J941W-100P/R/PL/RL J941Y-100I | ||||||||||||||
10 | 170 | 100 | 70 | 50 | 20 | 2 | 4 | 4-14 | 198 | - | 120 | - | 6 | - |
15 | 170 | 105 | 75 | 55 | 20 | 2 | 4 | 4-14 | 202 | - | 140 | - | 11 | - |
20 | 190 | 125 | 90 | 68 | 22 | 2 | 4 | 4-18 | 228 | - | 160 | - | 13.2 | - |
25 | 210 | 135 | 100 | 78 | 24 | 2 | 4 | 4-18 | 250 | - | 180 | - | 14 | - |
32 | 230 | 150 | 110 | 82 | 24 | 2 | 4 | 4-23 | 326 | - | 220 | - | 15 | - |
40 | 260 | 165 | 125 | 95 | 26 | 3 | 4 | 4-23 | 359 | - | 240 | - | 29 | - |
50 | 300 | 195 | 145 | 112 | 28 | 3 | 4 | 4-25 | 414 | 710 | 280 | DZW10 | 49 | 82 |
65 | 340 | 220 | 170 | 138 | 32 | 3 | 4 | 8-25 | 434 | 750 | 320 | DZW15 | 65 | 104 |
80 | 380 | 230 | 180 | 148 | 34 | 3 | 4 | 8-25 | 547 | 785 | 400 | DZW30 | 95 | 138 |
100 | 430 | 265 | 210 | 172 | 38 | 3 | 4.5 | 8-30 | 621 | 837 | 450 | DZW45 | 115 | 243 |
125 | 500 | 310 | 250 | 210 | 42 | 3 | 4.5 | 8-34 | 732 | - | 450 | - | 149 | - |
150 | 550 | 350 | 290 | 250 | 46 | 3 | 4.5 | 12-34 | 840 | - | 500 | - | 310 | - |
200 | 650 | 430 | 360 | 312 | 54 | 3 | 4.5 | 12-41 | 925 | - | 550 | - | 590 | __I_ |
J41H/Y/B-160C J41W-160P/R/PL/RL J41Y-160I J941H/Y -160C J941W-160P/R/RL/RL J941Y-160I | ||||||||||||||
15 | 170 | 110 | 75 | 52 | 24 | 2 | 4 | 4-18 | 148 | - | 140 | - | 12.2 | _ |
20 | 190 | 130 | 90 | 65 | 26 | 2 | 4 | 4-23 | 156 | - | 160 | - | 15 | - |
25 | 210 | 140 | 100 | 72 | 28 | 2 | 4 | 4-23 | 125 | - | 180 | - | 17 | - |
32 | 230 | 165 | 115 | 85 | 30 | 2 | 4 | 4-25 | 200 | - | 200 | - | 21.4 | _ |
40 | 260 | 175 | 125 | 92 | 32 | 3 | 4 | 4-27 | 231 | - | 240 | - | 32 | _ |
50 | 300 | 215 | 165 | 132 | 36 | 3 | 4 | 8-25 | 262 | - | 250 | - | 52 | _ |
65 | 340 | 245 | 190 | 152 | 44 | 3 | 4 | 8-30 | 303 | - | 320 | - | 69 | _ |
80 | 380 | 260 | 205 | 168 | 46 | 3 | 4 | 8-30 | 341 | - | 400 | - |
| _ |
100 | 430 | 300 | 240 | 200 | 48 | 3 | 4.5 | 8-34 | 485 | - | 450 | - | 119 | _ |




